| Inspection |
| 1. | Disconnect the negative (-) battery terminal. |
| 2. | Remove the roof trim assembly.
(Refer to Body - "Roof Trim Assembly")
|
| 3. | Remove the glass motor (A) after loosening the mounting screws.
|
| 4. | Ground the terminals as below table, and check that the sunroof unit operates as below table.
|
| 5. | Make
these input tests at the connector. If any test indicates a problem,
find and correct the cause, then recheck the system. If all the input
tests prove OK, the sunroof motor must be faulty; replace it.
|
| Adjustment |
| 1. | Turn the ignition key to the ON position. |
| 2. | According to the position of the sunroof, do as follows.
|
| 3. | Release the TILT button. |
| 4. | Press
and hold the TILT button once again until the sunroof has returned to
the original position of TILT after it is raised a little higher than
the maximum TILT position. |
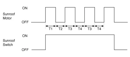
| 1. | The Sunroof ECU detects the Run- time of motor |
| 2. | Motor can be operated continuously for the 1st Run-time. |
| 3. | Motor which is operated continuously stops operating after the 1st Run-time. |
| 4. | And then Motor is not operated for the 1st Cool-time. |
| 5. | Motor is operated for the 2nd Run-time at the continued motor operation after 1st Cool-time. |
| 6. | Motor which is operated continuously stops operating after the 2nd Run-time. |
| 7. | Motor is not operated for the 2nd Cool-time. |
| 8. | Motor repeats the 2nd Run-time and 2nd Cool-time at the continued motor operation.
|
| 1. | The Sunroof ECU detects the Run- time of motor. |
| 2. | Motor can be operated continuously for the 1st Run-time. |
| 3. | Motor which is operated continuously stops operating after the 1st Run-time. |
| 4. | And then Motor is not operated for the 1st Cool-time. |
| 5. | Motor is operated for the 2nd Run-time at the continued motor operation after 1st Cool-time. |
| 6. | Motor which is operated continuously stops operating after the 2nd Run-time. |
| 7. | Motor is not operated for the 2nd Cool-time. |
| 8. | Motor repeats the 2nd Run-time and 2nd Cool-time at the continued motor operation.
T1 : 120 ± 10 sec., T2 : 18 ± 2 sec., T3 : 9 ± 2 sec., T4 : 18 ± 2 sec. |
Sunroof SwitchComponents and components location Components Repair procedures Inspection 1. Disconnect the negative (-) battery terminal. 2. Remove the map lamp lens (A)...
Windshield Wiper/WasherComponents and components location Component Location 1. Windshield wiper arm & blade 2. Wiper & washer switch 3. Windshield washer hose & nozzle 4...
Power steering uses the motor to assist you in steering the vehicle. If the engine is off or if the power steering system becomes inoperative, the vehicle may still be steered, but it will require increased steering effort. The motor driven power steering is controlled by the power steering control unit which senses the steering wheel torque, steering wheel position and vehicle speed to command the motor...
General information Identification Number Identification Number Description Vehicle Identification Number 1. World Manufacturer Identifier (WMI) - KNA : Passenger vehicle, MPV(Multipurpose Passenger Vehicle)/SUV(Sports Utility Vehicle)/RV(Recreational Vehicle) - KNC : Commercial vehicle (Van) - KND : MPV/SUV/RV (For U...

The rear parking assist system assists the driver during backward movement of the vehicle by chiming if any object is sensed within a distance of 120 cm (47 in.) behind the vehicle.