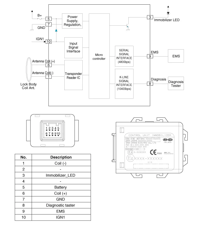
| Circuit Diaram |

| Description |
| 1. | Transponder (TP) – IMMO ECU Communication
TP Read Protocol
|
| 2. | Transponder / IMMO ECU / EMS authentication
|
| Components Operations |
| 1. | The
PCM(ECM) (A) carries out a check of the ignition key using a special
encryption algorithm, which is programmed into the transponder as well
as the PCM(ECM) simultaneously. Only if the results are equal, the
engine can be started. The data of all transponders, which are valid for
the vehicle, are stored in the PCM(ECM). ERN (Encrypted
Randorm Number) value between EMS and encrypted smartra unit is checked
and the validity of coded key is decided by EMS.
|

| [Master Folding Key] |

| [Spare Master Key] |

| – | The antenna coil supplies energy to the transponder. |
| – | The antenna coil receives signal from the transponder. |
| – | The antenna coil sends transponder signal to the IMMOBILIZER. It is located directly in front of the steering handle lock. |

| Teaching Procedures |
| 1. | Key Teaching Procedure Key teaching must be done after replacing a defective PCM(ECM) or when providing additional keys to the vehicle owner. The
procedure starts with an PCM(ECM) request for vehicle specific data
(PIN code: 6digits) from the tester. The "virgin" PCM(ECM) stores the
vehicle specific data and the key teaching can be started. The "learnt"
PCM(ECM) compares the vehicle specific data from the tester with the
stored data. If the data are correct, the teaching can proceed. If
incorrect vehicle specific data have been sent to the PCM(ECM) three
times, the PCM(ECM) will reject the request of key teaching for one
hour. This time cannot be reduced by disconnecting the battery or any
other manipulation. After reconnecting the battery, the timer starts
again for one hour. The key teaching is done by
ignition on with the key and additional tester commands. The PCM(ECM)
stores the relevant data in the EEPROM and in the transponder. Then the
PCM(ECM) runs the authentication required for confirmation of the
teaching process. The successful programming is then confirmed by a
message to the tester. If the key is already known
to the PCM(ECM) from a previous teaching, the authentication will be
accepted and the EEPROM data are updated. There is no changed
transponder content (this is impossible for a learnt transponder). The
attempt to repeatedly teach a key, which has been taught already during
the same teaching cycle, is recognized by the PCM(ECM). This rejects
the key and a message is sent to the tester. The
PCM(ECM) rejects invalid keys, which are presented for teaching. A
message is sent to the tester. The key can be invalid due to faults in
the transponder or other reasons, which result from unsuccessful
programming of data. If the PCM(ECM) detects different authenticators of
a transponder and an PCM(ECM), the key is considered to be invalid. The maximum number of taught keys is 4. If
an error occurs during the Immobilizer Service Menu, the PCM(ECM)
status remains unchanged and a specific fault code is stored. If
the PCM(ECM) status and the key status do not match for teaching of
keys, the tester procedure will be stopped and a specific fault code
will be stored at PCM(ECM).
|
| 2. | User Password Teaching Procedure The
user password for limp home is taught at the service station. The owner
of the vehicle can select a number with four digits. The
user password teaching is only accepted by a "learnt" PCM(ECM). Before
first teaching of user password to an PCM(ECM), the status of the
password is "virgin" No limp home function is possible. The
teaching is started by ignition on, with a valid key(learnt key) and
sending the user password by tester. After successful teaching, the
status of the user password changes from "virgin" to "learnt" The
learnt user password can also be changed. This can be done if the user
password status is "learnt" and the tester sends authorization of
access, either the old user password or the vehicle specific data. After
correct authorization, the PCM(ECM) requests the new user password. The
status remains "learnt" and the new user password will be valid for the
next limp home mode. If wrong user passwords or
wrong vehicle specific data have been sent to the PCM(ECM) three times
continuously or intermittently, the PCM(ECM) will reject the request to
change the password for one hour. This time cannot be reduced by
disconnecting the battery or any other actions. After reconnecting the
battery, the timer starts again for one hour.
|
| Limp Home Function |
| 1. | Limp Home By Tester If
the PCM(ECM) detects the fault of the SMARTRA or transponder, the
PCM(ECM) will allow limp home function of the immobilizer. Limp home is
only possible if the user password (4 digits) has been given to the
PCM(ECM) before. This password can be selected by the vehicle owner and
is programmed at the service station. The user password can be sent to the PCM(ECM) via the special tester menu. Only
if the PCM(ECM) is in status "learnt" and the user password status is
"learnt" and the user password is correct, the PCM(ECM) will be unlocked
for a period of time (30 sec.). The engine can only be started during
this time. After the time has elapsed, engine start is not possible. If
the wrong user password is sent, the PCM(ECM) will reject the request
of limp home for one hour. Disconnecting the battery or any other action
cannot reduce this time. After connecting the battery to the PCM(ECM),
the timer starts again for one hour.
|
| 2. | Limp Home By Ignition Key The
limp home can be activated also by the ignition key. The user password
can be input to the PCM(ECM) by a special sequence of ignition on/off. Only
if the PCM(ECM) is in status "learnt" and the user password status is
"learnt" and the user password is correct, the PCM(ECM) will be unlocked
for a period of time (30 sec.). The engine can be started
during this time. After the time has elapsed, engine start is not
possible. After a new password has been input, the timer (30 sec.) will
start again. After ignition off, the PCM(ECM) is locked if
the timer has elapsed 8 seconds. For the next start, the input of the
user password is requested again. |

| Replacement |
|
Problem
|
Part set
|
KDS/GDS required?
|
| All keys have been lost | Blank key (4) | YES |
| Antenna coil unit does not work | Antenna coil unit | NO |
| ECM does not work | PCM(ECM) | YES |
| Ignition switch does not work | Ignition switch with Antenna coil unit | YES |
| Unidentified vehicle specific data occurs | Key, PCM(ECM) | YES |
| SMARTRA unit does not work | SMARTRA unit | YES |
| 1. | Things to remember before a replacement (PCM(ECM))
|
| 2. | Things to remember before a replacement (Keys & Additional registration)
|
|









|







Repair procedures Inspection 1.Disconnect the key warning switch connector (A) and ignition switch connector (B) from the steering column. 2.
Repair procedures Removal 1.Disconnect the negative (-) battery terminal. 2.Remove the main crash pad assembly. (Refer to Body - "Main Crash Pad Assembly") 3.
Components and components location Components [Roof Antenna (Radio+GPS/GNSS+DAB+GSM)] Repair procedures Removal Roof antenna 1.Disconnect the negative (-) battery terminal. 2.Remove the roof trim assembly. (Refer to Body - "Roof Trim Assembly") 3.
Repair procedures Inspection Multifunction Switch Inspection 1. Check for continuity between the terminals in each switch position as shown below. Rear Wiper & Washer Switch[LHD] [RHD] Inspection (With KDS/GDS) 1. In the body electrical system, failure can be quickly diagnosed by using the vehicle diagnostic system (KDS/GDS).