| Component Location |

| 1. Sunroof 2. Sunroof switch | 3. Sunroof motor & controller |
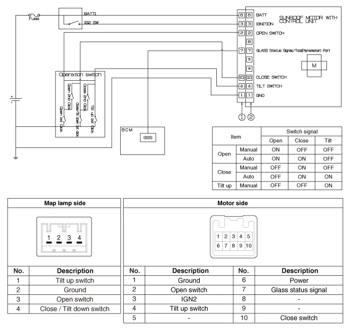
| Circuit Diagram |

Smart Key DiagnosticRepair procedures Inspection Self Diagnosis With Scan Tool It will be able to diagnose defects of SMART KEY system with KDS/GDS quickly. KDS/GDS can operates actuator forcefully, input/output value monitoring and self diagnosis...
Sunroof SwitchComponents and components location Components Repair procedures Inspection 1. Disconnect the negative (-) battery terminal. 2. Remove the map lamp lens (A)...
Fog lights are used to provide improved visibility when visibility is poor due to fog, rain or snow, etc. The fog lights will turn on when the fog light switch (1) is turned on after the parklight is turned on. To turn off the fog lights, turn the fog light switch (1) to the Off position...
Mechanical key Turn the key toward the rear of the vehicle to lock and toward the front of the vehicle to unlock. If you lock/unlock the door with a key, the doors will lock/unlock. If you lock/unlock the driver’s door with a key, all vehicle doors will lock/ unlock automatically...