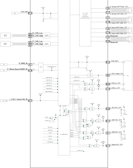
| Components |

|
No.
|
Connector A
|
Connector B
|
Connector C
|
| 1 | - | IGN2 Relay_output | Battery (+)_Signal |
| 2 | SSB Switch1 signal_input | P-CAN (Low) | - |
| 3 | Driver door outside handle switch_input | P-CAN (High) | Immobilizer antenna (Power)_output |
| 4 | - | C-CAN (High) | Driver outside handle antenna (Power)_output |
| 5 | - | C-CAN (Low) | Passenger outside handle antenna (Power)_output |
| 6 | - | SSB Amber illumination_output | Bumper antenna (Power)_output |
| 7 | RPM Signal_input | - | Interior antenna 1 (Power)_output |
| 8 | Start signal feedback_input | SSB Illumination (+)_output | Interior antenna 2 (Power)_output |
| 9 | IGN2 | ESCL Enable_output | - |
| 10 | - | Battery (+)_Power | - |
| 11 | Starter relay_output | IGN1 Relay_output | - |
| 12 | Ground_Power1 | ESCL (COM) | - |
| 13 | SSB Switch2 signal_input | EMS (COM) | ESCL_Ground (-)_output |
| 14 | Assist door outside handle switch_input | - | Immobilizer antenna (Ground)_output |
| 15 | - | SSB Illumination (-)_output | Driver outside handle antenna (Ground)_output |
| 16 | AT : "P" Positon_input MT : Clutch switch_input | SSB Illumination (Blue)_output SSB Illumination (Red)_output | Passenger outside handle antenna (Ground)_output |
| 17 | ESCL Unlock switch_input | - | Bumper antenna (Ground)_output |
| 18 | Wheel speed sensor_input | Exterior buzzer_output | Interior antenna 1 (Ground)_output |
| 19 | ACC Signal_input | - | Interior antenna 2 (Ground)_output |
| 20 | IGN1 | ESCL (+)_output | - |
| 21 | Brake switch_input | - | |
| 22 | ACC Relay_output | Ground_Power2 |
| Circuit Diagram |


| Removal |
Put on gloves to prevent hand injuries. |
|
| 1. | Disconnect the negative (-) battery terminal. |
| 2. | Remove the glove box.
(Refer to Body - "Glove Box")
|
| 3. | Disconnect the smart key unit connectors (A).
|
| 4. | Remove the smart key unit (A) after loosening the mounting nuts.
|
| 1. | Disconnect the negative (-) battery terminal. |
| 2. | Remove the floor console assembly.
(Refer to Body - "Floor Console Assembly")
|
| 3. | Remove the interior 1 antenna (A) after loosening the mounting bolt and nut and disconnecting the connector.
|
| 1. | Disconnect the negative (-) battery terminal. |
| 2. | Remove the rear seat cushion assembly.
(Refer to Body - "Rear Seat Assembly")
|
| 3. | Remove the interior 2 antenna (A) after loosening the mounting nuts and disconnecting the connector.
|
| 1. | Disconnect the negative (-) battery terminal. |
| 2. | Remove the rear bumper assembly.
(Refer to Body - "Rear Bumper Assembly")
|
| 3. | Remove the rear bumper antenna (A) after loosening the mounting screws and disconnecting the connector.
|
| 1. | Disconnect the negative (-) battery terminal. |
| 2. | Remove the left front wheel guard.
(Refer to Body - "Front Wheel Guard")
|
| 3. | Remove the buzzer (A) after disconnecting the connector.
|
| 1. | Disconnect the negative (-) battery terminal. |
| 2. | Remove the front door outside handle.
(Refer to Body - "Front Door Outside Handle")
|
| 1. | Disconnect the negative (-) battery terminal. |
| 2. | Remove the tailgate trim.
(Refer to Body - "Tailgate Trim")
|
| 3. | Disconnect the tailgate outside handle assembly connector (A).
|
| 4. | Remove the tailgate outside handle assembly (A) after loosening the mounting nuts.
|
| 5. | Disconnect the tailgate open switch connector (A). |
| 6. | Remove the tailgate open switch (B) after loosening the mounting screws.
|
| Inspection |
| 1. | Disconnect the front door outside handle connector (A).
|
| 2. | Check for continuity between terminals No 2 and No 4.
|
| 1. | Check for continuity between the tailgate open switch terminals.
|
| 2. | If continuity is not specified, inspect the switch
|
| Installation |
| 1. | Install the smart key unit after connecting the connectors. |
| 2. | Install the glove box. |
| 3. | Connect the negative (-) battery terminal and check the smart key system. |
| 1. | Install the interior 1 antenna. |
| 2. | Install the floor console assembly. |
| 3. | Connect the negative (-) battery terminal and check the smart key system. |
| 1. | Install the interior 2 antenna. |
| 2. | Install the rear seat cushion assembly. |
| 3. | Connect the negative (-) battery terminal and check the smart key system. |
| 1. | Install the rear bumper antenna. |
| 2. | Install the rear bumper assembly. |
| 3. | Connect the negative (-) battery terminal and check the smart key system. |
| 1. | Install the buzzer. |
| 2. | Install the left front wheel guard. |
| 3. | Connect the negative (-) battery terminal and check the smart key system. |
| 1. | Install the front door outside handle. |
| 2. | Connect the negative (-) battery terminal and check the smart key system. |
| 1. | Install the tailgate open switch after connecting the connector. |
| 2. | Install the tailgate outside handle assembly. |
| 3. | Connect the tailgate outside handle assembly connector. |
| 4. | Install the tailgate trim. |
| 5. | Connect the negative (-) battery terminal and check the smart key system. |
Smart KeyRepair procedures Smart Key Smart Key Code Saving 1. Connect the DLC cable of KDS/GDS to the data link connector (16 pins) in driver side crash pad lower panel, turn the power on KDS/GDS...
Smart Key DiagnosticRepair procedures Inspection Self Diagnosis With Scan Tool It will be able to diagnose defects of SMART KEY system with KDS/GDS quickly. KDS/GDS can operates actuator forcefully, input/output value monitoring and self diagnosis...
Repair procedures Removal 1.Remove the fuel pump. (Refer to Fuel Delivery System - "Fuel Pump") 2.Disconnect the fuel pump motor connector (A) and fuel sender connector (B). 3.Disconnect the fuel feed tube quick-connector (A) after removing the fixing clip (B)...
Components and components location Components 1. ESC control module (HECU) 2. Front wheel speed sensor 3. Rear wheel speed sensor Description and operation Description of ESC Electronic Stability Control (ESC) recognizes critical driving conditions, such as panic reactions in dangerous situations, and stabilizes the vehicle by wheel-individual braking and engine control intervention...
WARNING
Windshield heating
Do not use the
or
position
during cooling operation in extremely
humid weather. The difference between
the temperature of the outside
air and that of the windshield
could cause the outer surface of the
windshield to fog up, causing loss of
visibility. In this case, set the mode
selection knob or button to the
position and fan speed control knob
or button to the lower speed.