Kia Picanto (JA): Engine Control System / Knock Sensor (KS)
Specifications
Item
|
Specification
|
Resistance(MΩ)
| 4.87
|
Capacitance (pF)
| 850 - 1150
|
Type
| Piezo-electricity
|
Pin
| 2
|
Description and operation
Knocking
is a phenomenon characterized by undesirable vibration and noise that
can cause engine damage. Installed on the cylinder block, Knock Sensor
(KS) senses engine knocking.
When
knocking occurs, the vibration from the cylinder block is applied as
pressure to the piezoelectric element. When knocking occurs, the sensor
produces voltage signal. The ECM retards the ignition timing when
knocking occurs. If the knocking disappears after retarding the ignition
timing, the ECM will advance the ignition timing. This sequential
control can improve engine power, torque and fuel economy.

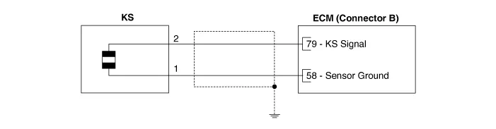
Schematic diagrams


Repair procedures
| 1. | Turn the ignition switch OFF and disconnect the battery negative (-) terminal. |
| 2. | Remove the intake manifold.
(Refer to Engine Mechanical System - "Intake Manifold")
|
| 3. | Remove the delivery pipe.
(Refer to Fuel Delivery System - "Delivery Pipe")
|
| 4. | Remove the knock sensor (A) after loosening the mounting bolt.
Knock sensor mounting bolt:
18.6 - 23.5 N·m (1.9 - 2.4 kgf·m, 13.7 - 17.4 lb·ft) |
 |
| •
| Install the component to the specified torques. |
| •
| Note that internal damage may occur when the component is dropped. If the component has been dropped, inspect before installing. |
|
| 1. | Install in the reverse order of removal. |
Specifications
Camshaft Position Sensor (CMPS)
Item
Specification
Type Hall effect type Air Gap (mm) 0.
Specifications
Specification
HO2S [Bank 1/Sensor 1]
Item
Specification
Heater Resistance (Ω) 2.
Other information:
Repair procedures
Inspection
1.Check for continuity between the terminals. If there is an abnormality, replace the switch.
Removal
•
When removing with a flat-tip screwdriver or remover, wrap protective tape around the tools to prevent damage to components.
Components and components location
Component Location
1. Driver power window switch 2. Assist power window switch 3. Rear power window switch 4. Front window motor 5. Rear window motor
Description and operation
Safety Function of Power Window
When driver door power window auto-up switch is operated, safety function is acti