Kia Picanto (JA): Brake System / ABS(Anti-Lock Brake System)
Components and components location

1. ABS control module (HECU) 2. Front wheel speed sensor
| 3. Rear wheel speed sensor
|
Description and operation
This
specification applies to HCU(Hydraulic Control Unit) and ECU(Electronic
Control Unit) of the HECU.(Hydraulic and Electronic Control Unit)
This specification is for the wiring design and installation of ABS ECU.
This unit has the functions as follows.
| –
| Input of signal from the wheel speed sensors attached to each wheel. |
| –
| Control of braking force. |
| –
| Self diagnosis function. |
| –
| Interface with the external diagnosis tester. |
Installation Position : Engine Compartment
| –
| Brake tube length from Master cylinder port to HECU inlet port should be max. 1m |
| –
| The position should not be close to the engine block and not lower than the wheel. |
Operation
The ECU shall be put into operation by switching on the operating voltage (IGN).
On completion of the initialization phase, the ECU shall be ready for operation.
In
the operating condition, the ECU shall be ready, within the specified
limits (voltage and temperature), to process the signals offered by the
various sensors and switches in accordance with the control algorithm
defined by the software and to control the hydraulic and electrical
actuators.
Wheel Sensor Signal Processing
The ECU shall receive wheel speed signal from the four active wheel sensors.
The
wheel signals are converted to voltage signal by the signal
conditioning circuit after receiving current signal from active wheel
sensors and given as input to the MCU.
Solenoid Valve Control
When
one side of the valve coil is connected to the positive voltage that is
provided through the valve relay and the other side is connected to the
ground by the semiconductor circuit, the solenoid valve goes into
operation.
The electrical function of the coils are always monitored by the valve test pulse under normal operation conditions.
Voltage Limits
| –
| Overvoltage When overvoltage is detected(above 16.8 V), the ECU switches off the valve relay and shuts down the system. When voltage is returned to operating range, the system goes back to the normal condition after the initialization phase. |
| –
| Undervoltage In the event of undervoltage(below 9.3 V), ABS control shall be inhibited and the warning lamp shall be turned on. When voltage is returned to operating range, the warning lamp is switched off and ECU returns to normal operating mode. |
Pump Motor Checking
The ECU performs a pump motor test at a speed of 30km/h once after IGN is switched on.
Diagnostic Interface
Failures
detected by the ECU are encoded on the ECU, stored in a EEPROM and read
out by diagnostic equipment when the ignition switch is turned on.
The
diagnosis interface can also be used for testing the ECU during
production of the ECU and for actuating the HCU (Air-bleeding line or
Roll and Brake Test line).
Warning Lamp Module

| 1. | ABS Warning Lamp The active ABS warning lamp indicates the selftest and failure status of the ABS. The ABS warning lamp shall be on: | –
| During the initialization phase after IGN ON. (continuously 3 seconds). |
| –
| In the event of inhibition of ABS functions by failure. |
| –
| During diagnostic mode. |
| –
| When the ECU Connector is separated from ECU. |
|
| 2. | EBD/Parking brake Warning Lamp The
active EBD warning lamp indicates the selftest and failure status of
the EBD. However, in case the Parking Brake Switch is turned on, the EBD
warning lamp is always turned on regardless of EBD functions.The EBD
warning lamp shall be on: | –
| During the initialization phase after IGN ON. (continuously 3 seconds). |
| –
| When the Parking Brake Switch is ON or brake fluid level is low. |
| –
| When the EBD function is out of order. |
| –
| During diagnostic mode. |
| –
| When the ECU Connector is separated from ECU. |
|
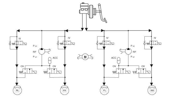
| 1. | Normal Braking without ABS
| Inlet valve(IV)
| Outlet valve(OV)
| Return pump
| Operation
| Open
| Close
| OFF
|
 IV : Inlet Valve OV : Outlet Valve RL : Rear left wheel FR : Front right wheel FL : Front left wheel RR : Rear right wheel RP : Return pump |
|
| 2. | Decrease Mode
| Inlet valve(IV)
| Outlet valve(OV)
| Return pump
| Operation
| Close
| Open
| ON(Motor speed control)
|
 IV : Inlet Valve OV : Outlet Valve RL : Rear left wheel FR : Front right wheel FL : Front left wheel RR : Rear right wheel RP : Return pump |
|
| 3. | Hold Mode
| Inlet valve(IV)
| Outlet valve(OV)
| Return pump
| Operation
| Close
| Close
| ON(Motor speed control)
|
 IV : Inlet Valve OV : Outlet Valve RL : Rear left wheel FR : Front right wheel FL : Front left wheel RR : Rear right wheel RP : Return pump |
|
| 4. | Increase Mode
| Inlet valve(IV)
| Outlet valve(OV)
| Return pump
| Operation
| Open
| Close
| ON(Motor speed control)
|
 IV : Inlet Valve OV : Outlet Valve RL : Rear left wheel FR : Front right wheel FL : Front left wheel RR : Rear right wheel RP : Return pump |
|
Components and components location
Components
1. Parking brake lever 2. Equalizer assembly 3. Rear parking brake cable
Repair procedures
Removal
The parking brake cables must not be bent or distorted.
Components and components location
Components
1. ABS control module connector 2. ABS control module 3. ABS bracket
Repair procedures
Removal
1.
Other information:
Repair procedures
Inspection
1.In the body electrical system, failure can be quickly diagnosed by using the vehicle diagnostic system (KDS/GDS).The diagnostic system (KDS/GDS) provides the following information.(1)Self diagnosis : Checking failure and code number (DTC)(2) Current data : Checking the system input/output data state (3)Actuation
Repair procedures
Inspection
1.Disconnect the negative (-) battery terminal.
2.Remove the roof trim assembly.
(Refer to Body - "Roof Trim Assembly")
3.Remove the glass motor (A) after loosening the mounting screws.
4.