| Components |
| Driver Power Window Switch |

|
No.
|
Description
|
No.
|
Description
|
| 1 | Ground | 10 | Rear left window lock switch |
| 2 | Rear left power window (Down) | 11 | Front left power window (Down) |
| 3 | Rear left power window (Up) | 12 | Front left power window (Up) |
| 4 | Battery (+)_LH | 13 | - |
| 5 | Door unlock switch | 14 | Door lock switch |
| 6 | Battery (+)_Tail lamp | 15 | - |
| 7 | Rear right power window (Down) | 16 | Front right power window (Down) |
| 8 | Rear right power window (Up) | 17 | Front right power window (Up) |
| 9 | Battery (+)_RH | 18 | Rear right window lock switch |
|
No.
|
Description
|
No.
|
Description
|
| 1 | Ground | 10 | - |
| 2 | - | 11 | Front left power window (Down) |
| 3 | - | 12 | Front left power window (Up) |
| 4 | Battery (+)_LH | 13 | - |
| 5 | Door unlock switch | 14 | Door lock switch |
| 6 | Battery (+)_Tail lamp | 15 | - |
| 7 | - | 16 | Front right power window (Down) |
| 8 | - | 17 | Front right power window (Up) |
| 9 | Battery (+)_RH | 18 | - |
|
No.
|
Description
|
No.
|
Description
|
| 1 | Ground | 10 | Rear left window lock switch |
| 2 | Rear left power window (Down) | 11 | - |
| 3 | Rear left power window (Up) | 12 | - |
| 4 | Battery (+)_LH | 13 | Driver main power window (Up/Down) |
| 5 | Door unlock switch | 14 | Door lock switch |
| 6 | Battery (+)_Tail lamp | 15 | - |
| 7 | Rear right power window (Down) | 16 | Front right power window (Down) |
| 8 | Rear right power window (Up) | 17 | Front right power window (Up) |
| 9 | Battery (+)_RH | 18 | Rear right window lock switch |
|
No.
|
Description
|
No.
|
Description
|
| 1 | Rear left power window (Down) | 10 | Front left power window (Down) |
| 2 | Rear left power window (Up) | 11 | Ground |
| 3 | - | 12 | Front left power window (Up) |
| 4 | Battery (+)_Tail lamp | 13 | Battery (+)_LH |
| 5 | Rear right power window (Down) | 14 | Battery (+)_RH |
| 6 | Rear right power window (Up) | 15 | Driver main power window (Up/Down) |
| 7 | Door unlock switch | 16 | - |
| 8 | Door lock switch | 17 | - |
| 9 | Rear right window lock switch | 18 | Rear left window lock switch |
| Assist Power Window Switch |

| Rear Power Window Switch |

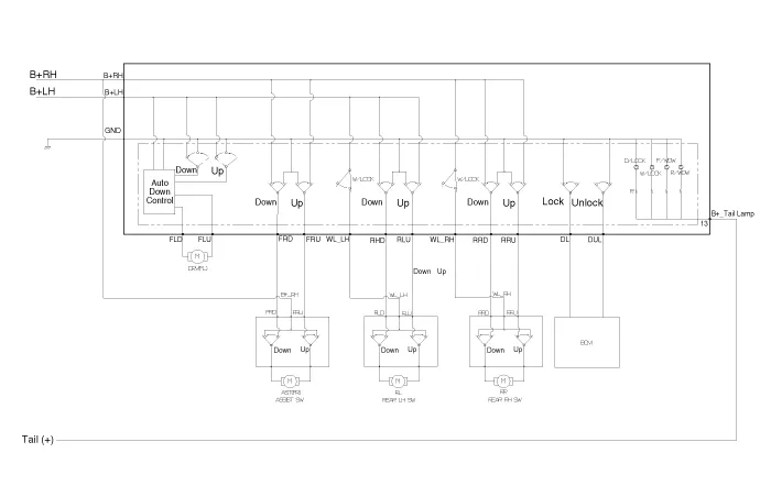
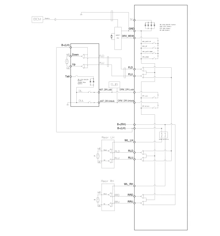
| Circuit Diagram |
| Driver Power Window Switch |






| Assist Power Window Switch |

| Rear Power Window Switch |

| Removal |
|
| 1. | Disconnect the negative (-) battery terminal. |
| 2. | Remove the front left door trim.
(Refer to Body - "Front Door Trim")
|
| 3. | Remove the power window switch assembly (A) by pulling out both ends of the switch holders (B).
|
| 1. | Disconnect the negative (-) battery terminal. |
| 2. | Remove the front right door trim.
(Refer to Body - "Front Door Trim")
|
| 3. | Remove the power window switch assembly (A) by pulling out both ends of the switch holders (B).
|
| 1. | Disconnect the negative (-) battery terminal. |
| 2. | Remove the rear door trim.
(Refer to Body - "Rear Door Trim")
|
| 3. | Remove the power window switch assembly (A) by pulling out both ends of the switch holders (B).
|
| Installation |
| 1. | Install the driver power window switch. |
| 2. | Install the front door trim after connecting the connector. |
| 3. | Connect the negative (-) battery terminal. |
| 1. | Install the assist power window switch. |
| 2. | Install the front door trim after connecting the connector. |
| 3. | Connect the negative (-) battery terminal. |
| 1. | Install the rear power window switch. |
| 2. | Install the rear door trim after connecting the connector. |
| 3. | Connect the negative (-) battery terminal. |
| Inspection |
| 1. | Disconnect the negative (-) battery terminal. |
| 2. | Remove the front left door trim. |
| 3. | Disconnect the power window switch connector from the door trim.
|
| 4. | Check
for continuity between the terminals in each switch position according
to the table. If the continuity condition is not normal, replace the
switch. [All Manual / Auto Down Type] (LHD)
(RHD)
[Driver Safety Type] (LHD)
(RHD)
Power Door lock switch
Power Window lock switch
|
| 1. | Disconnect the negative (-) battery terminal. |
| 2. | Remove the front right door trim / rear door trim.
(Refer to Body - "Front Door Trim")
(Refer to Body - "Rear Door Trim")
|
| 3. | Disconnect the power window switch connector from the door trim. [Assist power window switch]
[Rear Power Window Switch]
|
| 4. | Check
for continuity between the terminals in each switch position according
to the table. If the continuity condition is not normal, replace the
switch.
|
| 1. | The body electrical system can be quickly diagnosed for failed parts by using vehicle diagnostic system (KDS/GDS). The diagnostic system (KDS/GDS) provides the following information.
|
| 2. | Select the 'Car model' and the system to be checked in order to check the vehicle with the tester. |
| 3. | Select the 'Body Control Module (BCM)' to check the Body Control Module (BCM). |
| 4. | Select the "Current Data" menu to search the current state of the input/output data. The input/output data for the sensors corresponding to the door lock switch can be checked.
|
| 5. | If you will check the power door lock operation forcefully, select "Actuation test" of BCM.
|
Components and components location Components [Standard Window Motor] [Safety Window Motor] Repair procedures Inspection • When removing with a flat-tip screwdriver or remover, wrap protective tape around the tools to prevent damage to components.
Components and components location Component Location 1. Rear glass defogger relay 2. Rear glass defogger switch (Manual Type) 3. Rear glass defogger switch (FATC Type) 4.
Schematic diagrams Circuit Diaram Description and operation Description The immobilizer system will disable the vehicle unless the proper ignition key is used, in addition to the currently available anti-theft systems such as car alarms, the immobilizer system aims to drastically reduce the rate of auto theft.
Components and components location Components Repair procedures Removal 1.Disconnect the negative (-) battery terminal. 2.Remove the rear bumper assembly. (Refer to Body - "Rear Bumper Assembly") 3.Disconnect the connector (A) from the ultrasonic sensor.