Kia Picanto (JA): Body Electrical System / Indicators And Gauges

Troubleshooting

Troubleshooting
Error Item
Failure symptom
Inspection items
Detailed inspections
Relevant Parts/
Components
Screen display
LCD screen does not turn on
1)
Connector attachments
2)
Components
1)
Check the connector attachments
2)
Check B+, IGN and GND wiring
3)
Check the components
Connectors, wiring, fuses, dashboard
Warning light
Airbag warning lamp malfunction
1)
Connector attachments
2)
C-CAN
3)
Components
1)
Check airbag + signal (connectors)
2)
Check C-CAN (ACU4) signal
3)
Check the FPC attachment inside the dashboard
ACU Connectors, wiring, fuses, dashboard
Mode conversion
Integrated driving mode malfunction
1)
Connector attachments
2)
Switch
3)
Components
1)
Check the switch input (connector)
2)
Check the switch signal input
(disconnection or shorting)
3)
Check conversion with dashboard component
Switch connector, wiring dashboard
Illumination
Interior light brightness cannot be controlled.
1)
Connector attachments
2)
Switch
3)
Components
1)
Check if the light switch's input signal reaches the connector
2)
Check ILL- and DETENT signals
3)
Check the TAIL+ signal input
Switch connector, wiring dashboard
Warning Sound
No dashboard alarm
1)
Connector attachments
2)
Car speakers
3)
Components
1)
Check the speaker output connector
2)
Check the car speakers
Speaker connectors, wiring dashboard
Fuel indicator
Faulty fuel gauge indication
1)
Connector attachments
2)
Fuel sender
3)
Components
1)
Check fuel input and GND connectors
(open, short or input resistance values)
2)
Check fuel sender
Fuel sender connector, wiring dashboard

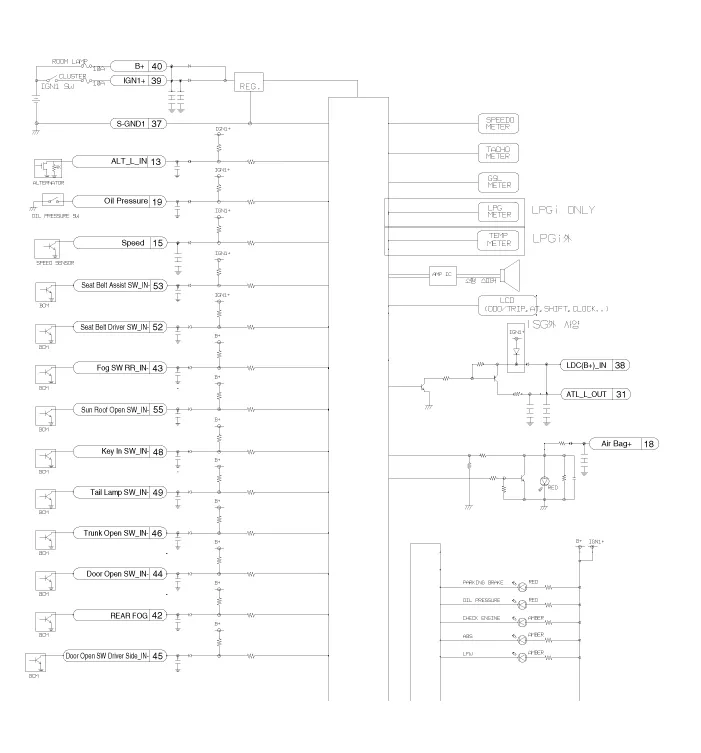
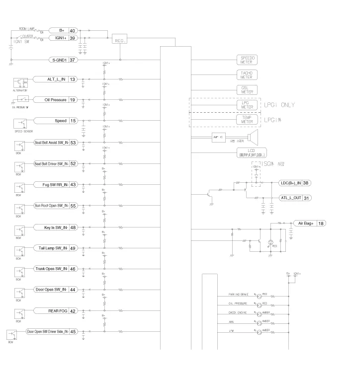
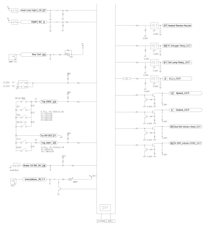
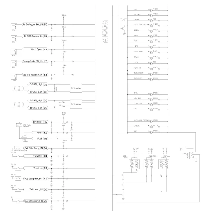
Components and components location

Components
[Standard Type ("2.6 Inch")]

[Supervision Type ("2.6 Inch")]

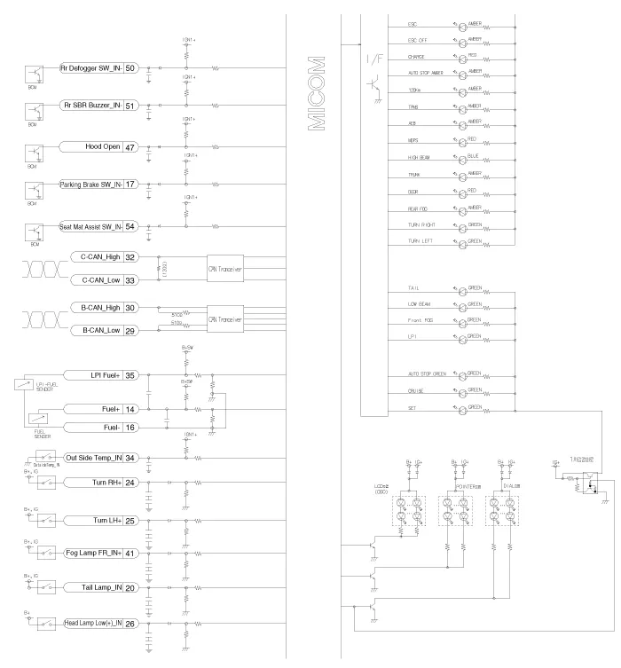
Connector Pin Information
Connector A


No.
Description
No.
Description
1
Ground
21
Trip switch (-)
2
Illumination (-)
22
Trip switch 1 (+)
3
M/T ('R' Position)
23
Trip switch 2 (+)
4
-
24
Turn signal lamp (Right)_Input
5
Dentent
25
Turn signal lamp (Left)_Input
6
-
26
Headlamp low (+)_Input
7
-
27
Headlamp high (+)_Input
8
-
28
Brake oil switch_input
9
-
29
Body-CAN (Low)
10
-
30
Body-CAN (High)
11
Immobilizer_Input
31
Alternator_Output
12
Vehicle speed_Output
32
Chassis-CAN (High)
13
Alternator_Input
33
Chassis-CAN (Low)
14
Fuel sender (+)_Input
34
Outside temp_Input
15
Vehicle speed_Input
35
FFV 5V (+)_Output
LPI Fuel_Input
16
Fuel sender (-)_Input
36
-
17
Parking brake switch_Input
37
Ground
18
Air bag (+)_Input
38
LDC Battery (+)_Input
19
Oil press switch_Input
39
IGN1
20
Tail lamp_Input
40
Battery (+)

Connector B


No.
Description
No.
Description
1
Front fog lamp (+)_Input
13
Assist seat belt switch (-)_Input
2
Rear fog lamp (+)_Input
14
Assist seat mat switch (-)_Input
3
Rear fog switch (-)_Input
15
Sunroof open switch (-)_Inpu
4
Door open switch (-)_Input
16
Ground
5
Driver side door open switch (-)_Input
17
-
6
Trunk open switch (-)_Input
18
Rear defogger relay (-)_Output
7
Hood open switch (-)_Input
19
Front deicer relay (-)_Output
8
Key in switch (-)_Input
20
Assist seat belt indicator (-)_Output
9
Tail lamp switch (-)_Input
21
Tail lamp relay (-)_Output
10
Rear defogger switch (-)_Input
22
Rear SBR Indicator SYNC(-)_Output
11
Rear SBR buzzer (-)_Input
23
Key out_Input
12
Driver seat belt switch (-)_Input
24
-

Schematic diagrams

Circuit Diagram
[General Standard]

[General Supervision]

Description and operation

Description
Communication Network Diagram

Abbreviation
Explanation
ABS
Anti-lock Brake System
ACU
Airbag Control Unit
AEB
Autonomous Emergency Braking
B-CAN
Body Controller Area Network
BCM
Body Control Module
C-CAN
Chassis Controller Area Network
CLU
Cluster Module
DATC
Dual Automatic Temp Control
EMS
Engine Management System
ESC
Electronic Control Suspention
EVP
Eva Vacuum Pump
I-BOX
Telematics System
LPI
Liquid Petroleum Injection
H_U
Head Unit (Audio / AVN)
M-CAN
Multi media Controller Area Network
MDPS
Motor Driven Power Steering
PGS
Parking Guide System
SLM
Seat belt remind & Lighting Module
SMK
Smart Key Unit
TCU
Transmission Control Unit
TMU
Telematics System
TPMS
Tire Pressure Monitoring System

Cluster Variant Coding
As we have more options (ESC, MDPS etc.) in the car, the dashboard now has more information to display depending on the chosen options.
For this reason, we need to learn which options the vehicle has when replacing the dashboard.
To address this issue, a course of learning based on the option required for the vehicle when replacing the dashboard should be carried out.
This is called Variant Coding.

Repair procedures

Removal
   
Put on gloves to protect your hands.
When removing with a flat-tip screwdriver or remover, wrap protective tape around the tools to prevent damage to components.
1.
Disconnect the negative (-) battery terminal.
2.
Remove the cluster fascia panel.
(Refer to Body - "Cluster Fascia Panel")
3.
Separate the instrument cluster (A) after loosening the mounting screws.

4.
Remover the instrument cluster after disconnecting the cluster connectors (A).

Installation
1.
Install the cluster after connect the cluster connectors.
2.
Install the cluster fascia panel.
3.
Connect the negative (-) battery terminal.
   
Perform variant coding after exchanging the instrument cluster.
Inspection
1.
Check point (Warning indicator)
   
Fault conditions and normal operating conditions, refer to the owner's manual.
NO
Ref Symbol
Name
Color
Signal Input
Signal Control
Check Point
1

Turnsignal (Left)
Green
CAN
BCM
(Gateway)
1)
Multifunction Switch
2)
BCM
3)
CAN Failure
2

Turnsignal (Right)
Green
CAN
BCM
(Gateway)
1)
Multifunction Switch
2)
BCM
3)
CAN Failure
3

Tail Lamp
Green
CAN
BCM
(Gateway)
1)
Multifunction Switch
2)
BCM
3)
CAN Failure
4

Front
Fog Lamp
Green
CAN
BCM
(Gateway)
1)
Multifunction Switch
2)
BCM
3)
CAN Failure
5

Rear Fog Lamp
Yellow
CAN
BCM
(Gateway)
1)
Multifunction Switch
2)
BCM
3)
CAN Failure
6

Low Beam
Green
CAN
BCM
(Gateway)
1)
Multifunction Switch
2)
BCM
3)
CAN Failure
7

High Beam
Blue
CAN
BCM
(Gateway)
1)
Multifunction Switch
2)
BCM
3)
CAN Failure
8

Master Symbol
Yellow
CAN
BSD
1)
BSD System
2)
CAN Failure
TPMS
1)
TPMS System
2)
CAN Failure
BCM
1)
External lamps
2)
BCM
3)
CAN Failure
Hard-wired
Fuel Sender
1)
Fuel Sendar Failure
2)
Wiring Failure
Low Washer
1)
Whasher fluid lever sensor
2)
Wiring Failure
Digital Input
Reminders when service checks
9

Battery Charge
Red
CAN
ECM
1)
Charging System
2)
CAN Failure
10

Oil Pressure
Red
Hard-wired
ECM
1)
ECM System
2)
Hard-wired
3)
CAN Failure
11

Check Engine
Yellow
CAN
ECM
1)
ECM System
2)
CAN Failure
12

Immobilizer
Yellow
CAN
BCM
(Gateway)
1)
SMK System
2)
BCM
3)
CAN Failure
4)
Hard-wired
13

Parking Brake
Brake Fluid
EBD
EPB
Red
CAN
BCM
(Gateway)
EBD
EPB
ABS
TCS
1)
BCM
2)
ABS System
3)
EPB System
4)
CAN Failure
5)
Parking Brake Switch
6)
Brake Oil Lever Sensor
14

ABS
Yellow
CAN
ABS
1)
ABS System
2)
CAN Failure
15

ESC
Yellow
CAN
TCS
1)
ABS System
2)
CAN Failure
16

ESC Off
Yellow
CAN
TCS
1)
ABS System
2)
CAN Failure
17

Seat Belt
Red
CAN
BCM
(Gateway)
1)
BCM
2)
CAN Failure
18

Airbag
Red
CAN
SRSCM
1)
SRSCM System
2)
CAN Failure
19

EPS
(MDPS)
Red
CAN
MDPS
1)
MDPS Unit System
2)
MDPS Motor
3)
CAN Failure
20

TPMS
Yellow
CAN
TPMS
1)
TPMS System
2)
TPMS Sensor
3)
CAN Failure
21

Fuel Warning
Yellow
Direct
(Micom)
Fuel Segment
1)
Fuel Sendar Failure
2)
Wiring Failure
22

Door Open
Red
CAN
BCM
(Gateway)
1)
BCM
2)
CAN Failure
3)
Door Sensor/switch
23

Trunk Open
Yellow
CAN
BCM
(Gateway)
1)
BCM
2)
CAN Failure
24

ECO
Green
Hard-wired
ECO mode
1)
ECM System
2)
CAN Failure
25

SPORT
Yellow
Hard-wired
SPORT mode
1)
ECM System
2)
CAN Failure
26

CRUISE
Green
CAN
ECM
1)
ECM System
2)
CAN Failure
27

SET
Green
CAN
ECM
1)
ECM System
2)
CAN Failure
28

AEB
Yellow
CAN
SCC
1)
AEB System
2)
CAN Failure
29

Cooling water
temperature
Red
CAN
EMS
1)
EMS System
2)
CAN Failure
30

AUTO STOP
Green
Yellow
CAN
ECM
1)
ECM
2)
CAN Failure
31

LPI
Green
CAN
LPI
1)
LPI System
2)
CAN Failure

2.
Check point (Gauge)
NO
Name
Signal Input
Signal Control
(Unit/Sensor)
Check Point
1
Speedometer
C-CAN
ABS/ESC
1. ABS System
2. CAN Line failure
2
Tachometer
C-CAN
ECM
1. ECM
2. CAN Line failure
3
Cooling water temperature
C-CAN
ECM
1. ECM
2. CAN Line failure
4
Fuel
Hardwire
Fuel Sander
1. Fuel sender failure
2. Wiring failure

Diagnosis with KDS/GDS
1.
In the body electrical system, failure can be quickly diagnosed by using the vehicle diagnostic system (KDS/GDS).
The diagnostic system (KDS/GDS) provides the following information.
(1)
Self diagnosis : Checking failure and code number (DTC)
(2)
Current data : Checking the system input/output data state
(3)
Actuation test : Checking the system operation condition
(4)
Additional function : Controlling other features including system option setting and zero point adjustment
2.
Select the 'Car model' and the 'Cluster Module (CLU)' to be checked in order to check the vehicle with the tester
3.
Select the 'Current Data' menu to search the current state of the input/output data.

4.
To forcibly actuate the input value of the module to be checked, select option 'Actuation Test'

CLU Variant Coding
After replacing the cluster with a new one, must be performed the “Variant Coding” procedure.
1.
Connect the cable of KDS/GDS to the data link connector in driver side crash pad lower panel, turn the power on KDS/GDS.
2.
Select model and "BCM".
3.
Select Variant coding mode to perform.

4.
If the trouble codes occurred when performing variant coding, try the CLU variant coding again after checking the installation status of CLU system.

    Repair procedures Removal 1.Disconnect the negative (-) battery terminal. 2.Remove the crash pad lower panel. (Refer to Body - "Crash Pad Lower Panel") 3.

    Specifications Specification Item Specification Power source 3 V Operating temperature -22 - 167°F (-30 - 75°C) RF Modulation FSK LF Modulation ASK RF frequency 433.

    Other information:

    Kia Picanto (JA) 2017-2026 Service & Repair Manual: Smart Key System

    Specifications Specifications Smart Key Unit Items Specification Rated voltage DC 12 V Operating voltage DC 9 - 16 V Operating temperature -31 - 167°F (-35 - 75°C) Load Max. 4mA (When welcome light function "OFF") RF Receiver Items

    Kia Picanto (JA) 2017-2026 Service & Repair Manual: Heater Unit

    Components and components location Component Location 1. Heater Unit Components [LH] 1. Heater Core Cover 2. Mode Control Actuator 3. Mode Control Actuator braket 4. Mode Cam 5. Mode Cam 6. Heater Core 7. Door Cover [Floor] 8. Heater Case [LH] [RH] 1.

    Categories

     
    Copyright © 2026 www.kpicanto.com - 0.0221