| Component Location |

| 1. Seat heater unit 2. Front seat back heater | 3. Front seat cushion heater |
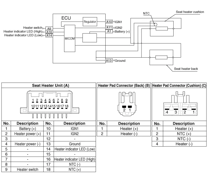
| Circuit Diagram |

| Inspection |
| 1. | Check for continuity and measure the resistance between terminals No 1 and No 4.
|
| 2. | Operate
the seat heater after connecting the connector, and then check the
thermostat by measuring the temperature of seat surface.
|
| Removal |
| 1. | Disconnect the negative (-) battery terminal. |
| 2. | Remove the front seat assembly.
(Refer to Body - "Front Seat Assembly")
|
| 3. | Disconnect the seat heater unit connector (A).
|
| 4. | Remove the seat heater unit (A) after loosening the mounting screws.
|
| Installation |
| 1. | Install the seat heater unit and connecting the connector. |
| 2. | Install the front seat assembly. |
| 3. | Connect the negative (-) battery terminal. |
Components and components location Components 1. Driver side seat heater switch 2. Passenger side seat heater switch Schematic diagrams Circuit Diagram Repair procedures Removal 1.
Specifications Specification Item Type Bulb Watt (W) Front Headlamp Halogen (Position lamp) Low/High H4 LL 55/60 Turn signal lamp PY21WLL 21 Position lamp W5WLL 5 Halogen (Position lamp + DRL) Low/High HB3 (9005HL+) 60 Turn signal lamp LED LED Po
Repair procedures Inspection 1. Connect the battery voltage and check the blower motor rotation. 2. If the blower motor voltage is not operated well, substitute with a known-good blower motor and check for proper operation. 3. If the problem is corrected, replace the blower motor.