| Specification |
|
Item
|
Specification
|
| Rated voltage | 13.5V, 130A |
| Speed in use | 1,000 - 18,000 rpm |
| Voltage regulator | IC Regulator built-in type |
| ECM Interface type regulator | LIN communication |
| Regulator Setting Voltage (Internal mode) | 14.5 ± 0.3V |
| Connector | 1 Pin (COM) |
| Pulley Type | OAP |
OAP : Overruning Alternator Pulley |
| Component |

| 1. Pully 2. Front Bracket 3. Front Bearing 4. Stator 5. Rotor 6. Rear Bearing | 7. Rear Bracket 8. Brush Holder Assembly 9. Through Bolt 10. Rectifier Assembly 11. Rear Cover |
| Description |

| 1. Brush 2. OAP : Overruning Alternator Pulley 3. Rotor 4. Stator 5. Rectifier |
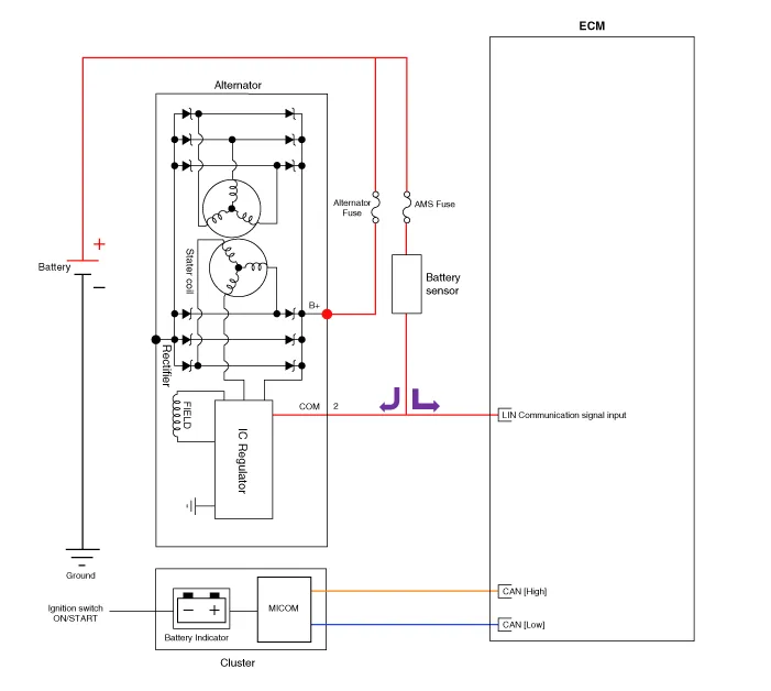
| Circuit Diagram |

|
| Removal |
| 1. | Turn ignition switch OFF and disconnect the negative (-) battery terminal. |
| 2. | Remove the air cleaner.
(Refer to Engine Mechanical System - "Air Cleaner")
|
| 3. | Disconnect the alternator connector (A) and alternator "B" cable (B) from the terminal.
|
| 4. | Remove the drive belt.
(Refer to Engine Mechanical System - "Drive Belt")
|
| 5. | Remove the intake manifold.
(Refer to Engine Mechanical System - "Intake Manifold")
|
| 6. | Remove the alternator mounting bolts (A).
|
| 7. | Remove the alternator (A).
|
| Installation |
| 1. | Install in the reverse order of removal. |
| 2. | Adjust the alternator belt tension after installation.
(Refer to Engine Mechanical System - "Drive Belt")
|
| 3. | Install the alternator. |
| Disassembly |
| 1. | Remove the rear cover (A).
|
| 2. | Remove the regulator assembly (A) after loosening the mounting bolts.
|
| 3. | Remove the OAP cap (A).
|
| 4. | Using the SST (09373-27000), remove the OAP pulley (A).
|
| 5. | Remove the rectifier assembly (A) after disconnecting the stator leads.
|
| 6. | Loosen the through bolts (A).
|
| 7. | Disconnect the rotor (A) and housing (B).
|
| Reassembly |
| 1. | Reassemble in the reverse order of disassembly.
|
| Inspection |
| [Rotor] |
| 1. | Check for continuity between the slip rings (C).
|
| 2. | Check that there is no continuity between the slip rings and the rotor (B) or rotor shaft (A). |
| 3. | If the rotor fails either continuity checks, replace the alternator. |
| [Stator] |
| 1. | Check that there is continuity between each pair of leads (A).
|
| 2. | Check that there is no continuity between each lead and the coil core. |
| 3. | If the coil fails either continuity checks, replace the alternator. |
ISG OFF switchComponents and components location Components 1. ISG OFF switch Description and operation Description The ISG OFF switch on the floor console can be used to deactivate the ISG function...
StarterSpecifications Specification ▷12V, 1.2kW : ISG only Item Specification Rated voltage 12 V, 1...
prevent children from accidentally opening the rear doors from inside the vehicle. The rear door safety locks should be used whenever children are in the vehicle. 1. Open the rear door. 2. Insert a key (or screwdriver) into the hole and turn it to the lock ( ) position...
Power steering uses the motor to assist you in steering the vehicle. If the engine is off or if the power steering system becomes inoperative, the vehicle may still be steered, but it will require increased steering effort. The motor driven power steering is controlled by the power steering control unit which senses the steering wheel torque, steering wheel position and vehicle speed to command the motor...

The rear parking assist system assists the driver during backward movement of the vehicle by chiming if any object is sensed within a distance of 120 cm (47 in.) behind the vehicle.